제품
2차전지 대응제품
토글클램프
COMPACT
STAINLESS
LOCK
VERTICAL
HORIZONTAL
PUSH / PULL
LATCH
HEAVY DUTY WELDABLE
PNEUMATIC
SPINDLE & WASHER
유압클램프
LOCATORS
AUTO COUPLERS
MULTI-LINK CLAMPS
HINGE CLAMPS
SWING CLAMPS
BLOCK CLAMPS
BUILT-IN CLAMPS
FLANGE CLAMPS
THREADED BODY CLAMPS
HOLLOW CLAMPS
ROCKER CLAMPS
EDGE CLAMPS
VISE CLAMPS
공압클램프
POWER CLAMP
BALL LOCK CLAMPS
LOCATORS
AUTO COUPLERS
MAGNETIC SENSOR CLAMPS
MULTI-LINK CLAMPS
HINGE CLAMPS
SWING CLAMPS
PNEUMATIC TOGGLE CLAMPS
로터리조인트
FLANGE TYPE
CARTRIDGE TYPE
COMPACT TYPE
TOP TYPE
MALE TYPE
DISTRIBUTORS VALVE
워크써포트
BUILT-IN
FLANGE
BRACKET
BLOCK
기타
BOOSTER
INTENSIFIER
SEQUENCE VALVE
FLOW CONTROL VALVE
DIRECTION VALVE
SWIVEL PAD
TUNGSTEN CARBIDE GRIPPER PAD
MOUNTING BASE
SPECIAL DESIGN
5축바이스
회사소개
인사말
연혁
경영이념
조직도
장비시설
인증서
오시는 길
국내
해외
한국치공구공업(주)
다운로드
카달로그
도면
기술자료
견적/주문
&
문의
견적 / 주문
연락처
Q&A
NEWS
ENG
제품
회사소개
다운로드
고객문의
&
NEWS
토글클램프
유압클램프
공압클램프
로터리조인트
워크써포트
기타
Compact Type
Rotary Joint
YOU CAN COUNT ON OUR EXPERTISE
Features
회전하는 부품에 유압 공급
배관 꼬임 방지
컴팩트 사이즈
수평 픽스쳐에 설치 용이
가스연질화 표면처리
최대공압사용압력 : 9.9kgf/㎠
최대유압사용압력 : 100kgf/㎠
사용온도 : 0~70℃
최대허용회전수 : 120rpm
씰 재질 : 전용씰
사용유체 : 기계작동유, Air, 절삭유
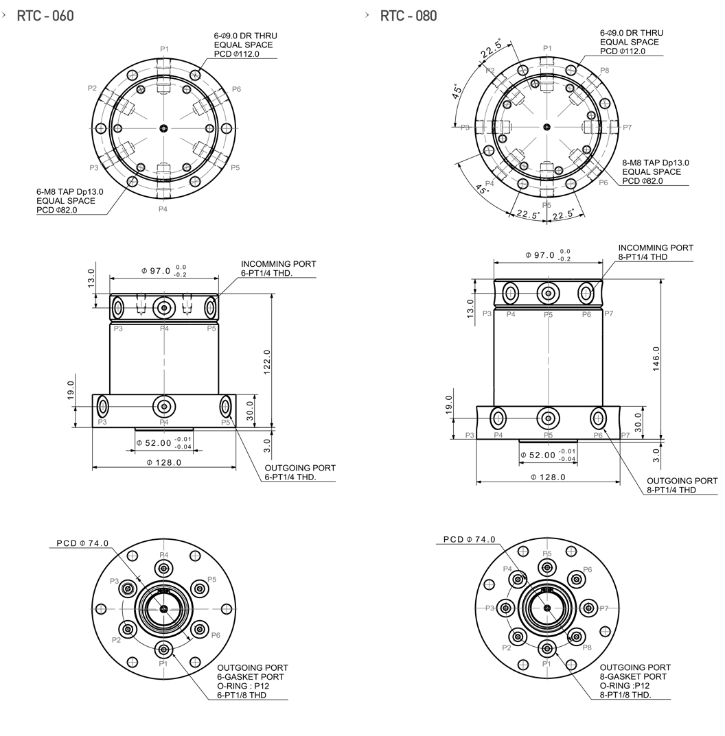
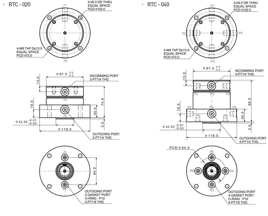
Specifications
MODEL NO.
RTC-020
RTC-040
RTC-060
RTC-080
RTC-120
RTC-160
Number of Lines
2
4
6
8
12
16
Fluid
Hydraulic Oil, Air, Cutting Fluid
Max. Operating Pressure
100kgf/㎠
Max. Revolutions per Minute
120rpm
Operating Temperature Range
0~70℃
Weight
4.36 kg
5.34 kg
7.75 kg
8.98 kg
18.56 kg
24.88 kg
Download
2D
3D
PDF
2D
3D
PDF
2D
3D
PDF
2D
3D
PDF
2D
3D
PDF
2D
3D
PDF
주문
TOP