YOU CAN COUNT ON OUR EXPERTISE


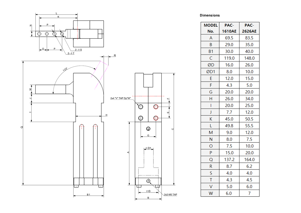
| Model No. | Piston Diameter (mm) |
Max. Clamping Force(kgf)@5bar | Max. Holding Torque (kgf.cm) |
Operating Pressure Range (kgf/㎠) |
Operating Temperature Range(℃) |
Weight (kg) |
|---|---|---|---|---|---|---|
| Clamping Point(아래 이미지 참고) | ||||||
| PAC-1610AE | 16.0 | D: 13/C: 15/B: 18/A: 25kgf | 612.0 | 3~9.99 | 0~60 | 0.25 |
| PAC-2626AE | 26.0 | D: 36/C: 45/B: 60/A: 89kgf | 1014.0 | 0.50 |